Nuestro Disyuntor/Interruptor de circuito de caja moldeada se utiliza principalmente en redes de distribución de CA 50Hz/60Hz, voltaje nominal de hasta 690V y corriente nominal de trabajo hasta 1250. Puede distribuir la energía eléctrica, y proteger las líneas y equipos de los daños de sobrecarga, cortocircuito, de insuficiencia de voltaje y variación de frecuencia
Especificaciones Técnicas del Disyuntor/Interruptor de circuito de caja moldeada YZM1
| Model | Number of poles | Frame size rated current(A) | Rated operation voltage (V) | Rated insulation voltage (V) | Rated limit short circuit breaking capacity (ka) 400v/690v | Rated operation short circuit breaking capacity (ka) 400v/690v |
| YZM1-63L | 3 | ≤63 | 400 | 500 | 15* | 7.5* |
| YZM1-63M | 3,4 | ≤63 | 400 | 500 | 35* | 17.5* |
| YZM1-100L | 3 | ≤100 | 690 | 800 | 30/2 | 15/1 |
| YZM1-100M | 2,3,4 | ≤100 | 690 | 800 | 50/5 | 25/2.5 |
| YZM1-100H | 3 | ≤100 | 690 | 800 | 65/8 | 32/4 |
| YZM1-225L | 3 | ≤225 | 690 | 800 | 30/2 | 15/1 |
| YZM1-225M | 2,3,4 | ≤225 | 690 | 800 | 50/5 | 25/2.5 |
| YZM1-225H | 3 | ≤225 | 690 | 800 | 65/8 | 32.5/4 |
| YZM1-400L | 3,4 | ≤400 | 690 | 800 | 40/5 | 20/2.5 |
| YZM1-400M | 3 | ≤400 | 690 | 800 | 55/8 | 27/4 |
| YZM1-400H | 3 | ≤400 | 690 | 800 | 70/10 | 35/5 |
| YZM1-630L | 3,4 | ≤630 | 690 | 800 | 40/5 | 20/2.5 |
| YZM1-630M | 3 | ≤630 | 690 | 800 | 55/8 | 27/4 |
| YZM1-630H | 3 | ≤630 | 690 | 800 | 70/10 | 35/5 |
| YZM1-800M | 3 | ≤800 | 690 | 800 | 60* | 30* |
| YZM1-800H | 3 | ≤800 | 690 | 800 | 70* | 35* |
| YZM1-1250M | 3 | ≤1250 | 690 | 800 | 65* | 32.5* |
Note: "*" significa que el parámetro de test está en 400V.
Esquema de instalación y dimensiones
Todos los accesorios, incluyendo derivador de desconexión, desconector de subvoltaje, contacto auxiliar y contacto de alarma, están hechos en módulos individuales y por lo tanto puede ser instalado a conveniencia. Tienen un rendimiento confiable.
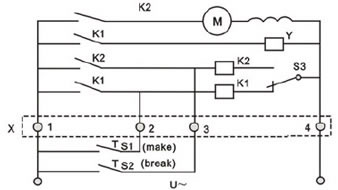
S1, S2 botones de operación (preparados por el usuario),
Terminal de cableado X,
K1, K2 relé autoblocante,
S3 interruptor de avance lento,
M motor de serie especial,
Y freno electromagnético.







Debido a un rendimiento confiable y económicos precios, nuestro equipo de transmisión de potencia y distribución, generadores de turbina eólica(aerogenerador), y otros productos certificados por KEMA, GOST, CCC, TUV, WTGS, y CB, son ampliamente exportados a muchas partes del mundo, entre ellos Alemania, Estados Unidos, Rusia, Irán, Sudáfrica, Argentina y otros países.
Además nuestra compañía está ubicada en la ciudad de Wenzhou, Provincia de Zhengjiang, en cercanía a infraestructura para transportar por mar, tierra o aire. Usted puede elegir la mejor forma de transporte, dependiendo de su situación.
Para obtener más información acerca de nuestros Disyuntor/Interruptor de circuito de caja moldeada, por favor no dude en contactarnos. Esperamos poder cooperarle
